磁致伸缩位移传感器
EP结构
模拟量输出接口
EP结构模拟量输出,是一款超高性价比,结构紧凑型传感器。整体采用铝型材全封闭设计,防护等级IP65;悬浮磁铁非接触方式测量永不磨损,传感器jue对位置量输出,起止位置全量程可调,不受掉电影响。
EP结构传感器适合安装在机器表面,或者一些狭小的外部空间中,E P结构传感器适用于流体动力、橡胶、木材加工、注塑、能源等各种工业自动化应用领域。
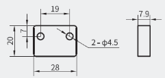
EP结构外形与针脚线色
结构外形(模拟量)
接线与针脚定义
模拟量
PH60针脚 | 线色1* | 线色2* | 功能定义 | |
| 1 | 蓝 | 灰 | 磁环位置信号+ |
2 | 绿 | 粉 | 磁环位置信号一 | |
3 | 黄 | 黄 | 传感器编程线 | |
4 | 白 | 绿 | 传感器编程线 | |
6 | 红 | 棕 | +24Vdc±20%供电 | |
面向传感器 | 7 | 黑 | 白 | 0vdc(供电回路) |
★屏蔽电缆的屏蔽线接地
PB81针脚 | 功能定义 | |
| 1 | 磁环位置信号一 |
2 | 不接 | |
3 | +24VDC土20%供电 | |
4 | 0Vdc供电回路 | |
5 | 磁环位置信号+ | |
6 | 传感器编程线 | |
7 | 不接 | |
面向传感器 | 8 | 传感器编程线 |
PA50针脚 | 功能定义 | |
| 1 | +24Vdc±20%供电 |
2 | 0Vdc供电回路 | |
3 | 磁环位置信号+ | |
4 | 磁环位置信号一 | |
面向传感器 | 5 | 传感器编程线 |
产品参数一EP结构模拟量接口
输入
测量数据:位置磁环
有效行程:25~2500 mm,其他可根据需要定制
输出
电流 | 4~20mA 或0~20mA(小/大负载0/500Ω) |
电压 | 0~1ovdc或0~5Vdc(小负载电阻≥10KΩ) |
分辨力 | 14位D/A或满量程的0.0065%(小10um) |
非线性度 | <满量程的±0.03% |
重复精度 | <满量程的±0.005% |
迟滞 | <10um> |
更新时间 | 1ms(量程≤1m)2ms(1m<量程≤2m) |
3ms(2m<量程≤3m) |
工作条件
磁环速度 | 任意 |
电气防护 | IP65 |
工作温度 | <30ppm> |
温度系数 | 湿度90%,不能结露 |
冲击指标 | GB/T2423.5 50g(11ms) |
振动指标 | GB/T2423.10 10g/10~2000Hz |
EMC测试 | GB/T17626.2静电放电抗干扰度,等级4,A类 |
GB/T17626.3射频电磁场辐射抗干扰度,等级3,A类 | |
GB/T17626.4电快速瞬变脉冲群抗扰度,等级4,A类 | |
GB/T17626.6 射频场感应的传导骚扰度,等级2,A类 | |
GB/T17626.8工频磁场抗扰度,等级3,A类 | |
CE认证 |
结构与材料
测杆 | 铝成型外壳 |
出线连接 | 直出电缆(散线连接)、航空插座(M16连接器) |
安装 | 任意方向,夹片安装 |
位置磁铁 | 方块磁铁、梯形磁铁 |
电气连接
输入电压 | +24Vdc±20% |
功耗 | <80mA> |
极性保护 | 大-30vdc |
超压保护 | 大36Vdc |
绝缘电阻 | >10MΩ |
绝缘强度 | 500V |
产品选型一EP结构模拟量接口
选型指南

01-02 | 传感器系列 |
EP | 整体型材结构系列 |
03-07 | 量程 |
M**** | 0025~2500 mm,其他可根据需要定制 |
0025~0500mm,步长5mm | |
0750~1000mm,步长25mm | |
1000~2500 mm,步长50mm |
08-09 | 磁铁形式 |
C3 | 方块磁铁(211508) |
C4 | 梯形磁铁(211514) |
10-13 连接形式
直出线缆方式1011出线类型
DH PUR橙色电缆,-20℃~90℃,末端散线线色1
DU PVC橙色电缆,-20℃~105℃,末端散线,线色2
直出线缆方式1213线缆长度,01~99 单位:米
插座连接方式10 11 12 13
PA50 M12五芯插座,插头电缆需要另外选配
PH60 M16六芯公插座,插头电缆需要另外选配
PB81 M12八芯公插座,插头电缆需要另外选配
14-17 | 信号输出模式 | |
14 | 15 | 通信接口 |
A | 0 | 电流输出,4~20mA |
A | 1 | 电流输出,20~4mA |
A | 2 | 电流输出,0~20mA |
A | 3 | 电流输出,20~0mA |
V | 0 | 电压输出,0~10V |
V | 1 | 电压输出,10~0V |
V | 4 | 电压输出,0~5V |
V | 5 | 电压输出,5~0V |
16 | 保留位 |
1 | 单个磁块 |
17 | 无磁环输出状态 |
A | 保持原值 |
B | 大值4~20mA,0~20mA,0~10V,0~5V时默认值 |
C | 小值 20~4mA,20~0mA,10~0V,5~0V时默认值 |
18-19 | 首末端盲区 | |
B | 1 | 72.5mm+72.5m m |
D | 2 | 73mm+73m m |
选型实例:
如:EP-M0300-C0-PB81-A01B-B1
表示︰EP整体型材结构,固定夹片安装,300m m有效行程,不带磁块,M12航空插座出线形式,电流4~20mA输出,无磁环输出值小于4mA,首末端死区72.5m m+72.5m m。
EP常用可选附件
编程调试盒
名称:手持式编程器 | 含:手持式编程器、220V电源、传感器转接线×2 |
〔仅供模拟量输出型) | |
| |
订货号:TEC612801A/B(A电流/B电压) | |
名称:USB转换器 | 含:USB转换器、USB数据线、传感器转接线×2.软件 |
(仅供模拟量输出型) | |
| |
订货号:TEC6 128 1 1 |
PUR橙色电缆 | 3P×0.25mm2 | 导电体:6芯,红/黑,蓝/绿,黄/白 应用特性:电缆护套橙色,带屏蔽,耐温-20~90℃
|
| ||
订货号:511802 | ||
PVC橙色电缆 | 7×24AWG φ6.7±0.3mm
| 导电体:7芯,白/棕/绿/黄/灰/粉红/蓝;符合欧洲色标应用特性:电缆护套橙色,带屏蔽,耐温-20~105℃
|
| ||
订货号:511807 | ||
四芯/五芯M12直插母头电缆 | 5×0.25mm2 | 导电体:5芯,棕/白/蓝/黑/灰 应用特性:电缆护套PUR黑色,带屏蔽,耐温-40~80℃ 线长∶2米(可选3米/5米/10米)
|
| ||
订货号:521801-2(3/5/10) | ||
四芯/五芯M12弯插母头电缆 | 5×0.25mm2 | 导电体:5芯,棕/白/蓝/黑/灰 应用特性:电缆护套PUR黑色,带屏蔽,耐温-40~80℃ 线长∶2米(可选5米) |
| ||
订货号∶521804-2(5) |
模拟量电缆配件选型
选型指南
01-03 | 类型 |
AST | 模拟量接口 |
04-07 | 线缆长度 |
M*** | 不足3位前面补零,M表示公制,单位m |
08-10 | 线缆类型、出线方式 |
H01 | 一端6针(M16)直插母接头,一端散线 |
H03 | 一端6针(M16)弯插母接头,一端散线 |
U01 | 一端6针(M16)直插母接头,一端散线 |
U03 | 一端6针(M16)弯插母接头,一端散线 |
注:
H︰线缆类型,PUR护套,橙色,-20~90 ℃
U︰线缆类型,PVC护套,橙色,-20~105℃
选型实例:
例1:AST-M005-H01
表示:模拟量接口线缆,线长5米,PUR护套,橙色,- 20~90℃,线缆一端6针(M16)直插母接头,一端散线。
EP常用可选附件
磁铁/夹片/插头
名称:方块磁铁 |
| ||
| |||
包含:1个磁铁 | |||
订货号∶211508 | 磁环 | ||
名称:方块磁铁套件 |
| 垫片 隔磁垫片尺寸同磁环,厚度5mm螺钉 GB/T70.1,M4x20,材质304 弹簧垫片 G B/T93,φ4,材质304
| |
| |||
包含:1个磁块,1个垫片,2个带弹垫螺钉 | |||
订货号∶288508 | 磁环 | ||
名称:梯形磁铁 |
| ||
| |||
包含:1个磁环 | |||
订货号∶211514 | 磁环 | ||
名称:梯形磁铁套件 |
| 垫片 隔磁垫片尺寸同磁环,厚度5mm螺钉 G B/T70.1,M4×20,材质304 弹簧垫片 G B/T93,φ4,材质304
| |
| |||
包含:1个磁环,1个垫片,3个带弹垫螺钉 | |||
订货号∶288514 | |||
名称:固定夹片套件 |
| 螺钉 GB/T70.1,M5X16,材质304
| |
| |||
包含:1个夹片,2个螺钉 | |||
订货号∶288561 | |||
名称:六针航插母头 |
| 模拟量 | |
| |||
订货号∶312701 | |||
名称:六针90°航插母头 |
| 模拟量 | |
| |||
订货号∶312702 | |||
网站客服咨询客服
热线电话:
13962107506
