AMG2000绝对值磁栅尺
AMG2000绝对式磁栅尺产品特性
绝对值位置双磁道测量系统;
位置数据通讯接口: SSl,BISS-C
参数配置接口: RS485;
不锈钢外壳,抗干扰强;
高柔,耐折弯编织屏蔽线
高分辨率,高精度;
智能告错信息提示

电气规格
| 项目 | 参数 | 备注 |
| 供电电压 | 5V +/-5% | |
| 消耗电流 | 150mA(Max) | |
| 磁间距 | 2+2mm | |
| 分辨率 | 0.1-100 um | 可选 |
| 增量信号电平 | 无 | |
| 位置数据接口 | SSI;BISS-C | 可选 |
| 参数配置接口 | RS485 | |
| 重复精度 | 土2分辨率 | |
| SSI时钟频率输入 | ≦750KHz | 取决于电缆长度 |
| 磁条精度 | (0.02+0.03*L)mm | L为m |
| 最大测量长度 | 16.3m | |
| 最大速度 | 4m/s | |
| 最大电缆长度 | 10m | |
| 抗震性 | 200m/s2 | |
| 接线方式 | 直接出线 | 可选(DB9,DB15) |
| 产品外壳 | 不锈钢 | |
| 产品尺寸 | 详见结构图 | |
| 防护等级 | IP67 | |
操作温度 | -0°C-55°C | |
储存温度 | -20°C-70°C | |
| 相对湿度 | 100% |
电缆接线定义: 注意线缆弯曲半径不低于45mm
| 线材颜色(OD:5.0mm) | 红 | 灰 | 白 | 蓝 | 棕 | 黄 | 绿 | 黑 | 编织线 |
信号(BISS) | +5V | 0V | SLO+ | SLO- | MA+ | MA- | 485_A | 485_B | 屏蔽 |
| 信号(SSI) | +5V | 0V | DATA+ | DATA- | CLK+ | CLK-4 | 485_A | 485_B | 屏蔽 |
| DB9(序号) | 5 | 9 | 4 | 8 | 3 | 7 | 2 | 6 | 屏蔽 |
| DB15(序号) | 7,8 | 2,9 | 14 | 6 | 13 | 5 | 12 | 4 | 外壳 |
通信接口
SSI
| 最大时钟频率 | 0.8MHz(标准) |
读取重复率 | 15KHz |
| 刷新速率 | 100KHz |
| 超时 (单次时间) | 10us |
BISS-C
| 最大时钟频率 | 2.5MHz(标准) |
读取重复率(@2.5MHZ) | 16KHz |
| 延时 | 7.5us |
| 超时 (单次时间) | 20us |
串行输出
在高达26位的自然二进制编码中,SSI编码器的位置和编码器的状态都可通过SSI协议获得。该位置每10us在内部捕获(刷新率100kHz)。输出位置数据是位置请求触发前最后捕获的数据。请求触发器是时钟信号的下降边缘.位置数据保持对MSB齐。位置数据之后有两个一般状态位(活动状态低),后面是详细状态信息。
*备注:
1、时钟和数据线是5V RS22兼容的差分信号,时钟线路上的终端电阻器集成在编码器内。
2、如果电缆总长度大于5m,则需要在控制器端的数据线端加120Ω的匹配阻抗。
电气连接图如下


通讯参数
| 参数 | 符号 | 最小值 | 最大值 | 备注 |
时钟周期 | tc | 1.25us(400ns*) | 10us | |
| 时钟的频率 | fc | 100KHz | 0.8MHz(2.5MHz) | |
| 单片机工作时间 | tm | 10us | ||
| 更新时间 | tB | 65us(34.4us*) |
控制器上有延时第一个时钟功能
| 产品类型 | 值0 | 值1 | 出现故障的可能原因 |
错误 | 位置数据无效 | 正常 | 错误位活动较低,如果位置较低,则该位置无效,可能的原因: 读头与磁条不一致;磁条被去磁;读头与磁条的方向不正确;读头与磁条的距离太远;移动速度太快 |
| 警告信息 | 位置数据有效 | 正常 | 警告位处于活动状态,过低。如果交期,编码器操作接近其极限。 |
具有两个常规状态位的SSI-位置: 数据包长28位,先用MSB,向左对齐。它提供了位置和两个一般的错误警告状态位所有的分辨率均为可用的
数据包的结构
| 比特 | b27:b2 | b2:b0 |
数据长度 | 26位 | 2位 |
| 其含义 | 编码器的位置 | 一般状态 |
编码器的位置: b27: b2 编码器位置,左对齐,MSB第一。未使用的下位设置为0。LSB位 2000um/8192一般状态:b1 出现错误。如果位为”L",则位置无效。b0 请发出警告。如果位为“L”,则编码器接近操作极限位置有效。
仅限SSI位置的模式:数据包长26位,先用MSB,向左对齐。它只提供位置,而没有状态位。所有的分辨率都是可用的
数据包的结构
| 比特 | b25: b0 |
| 数据长度 | 26位 |
| 其含义 | 编码器的位置 |
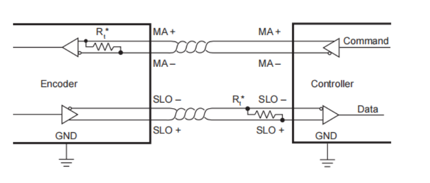
Biss-C
编码器的位置,在高达26位的自然二进制编码中,和编码器的状态都可通过BiSS-C协议获得。该位置数据保持对齐,首先为MSB。位置数据之后有两个状态位(活动低),后面是CRC(倒置)。为点对点操作实现了BiSS;不支持多个从属服务器。重复阅读的次数最多为每秒27,000次。如果值更高,则将报告相同的位置数据。注意,所有MA时钟频率都不能实现27kHz (因为数据传输时间大长)。
电气连接图

*MA和SLO线是5V RS422兼容的差分信号,MA线上的端电阻集成在读取头内。如果电缆总长度大于5m,建议在控制器侧的一端匹配电缆阻抗为120Ω。

通讯参数
| 参数 | 最小值 | 最大值 | 备注 |
| 时钟频率 | 50KHZ | 主时钟频率 | |
| 超时时间 | 20us | 通讯系统超时 |
状态位
| 产品类型 | 值0 | 值1 | 出现故障的可能原因 |
错误 | 位置数据无效 | 正常 | 错误位活动较低,如果位置较低,则该位置无效,可能的原因: 读头与磁条不一致;磁条被去磁;读头与磁条的方向不正确;读头与磁条的距离太远;移动速度太快 |
| 警告信息 | 位置数据有效 | 正常 | 警告位处于活动状态,过低。如果交期,编码器操作接近其极限。 |
传感器尺寸图

运输使用注意事项

传感器安装方向

贴装磁栅尺

传感器与磁栅尺安装公差

注:
1,测量精度与编码器相对磁栅尺的垂直安装间隙高度有关(建议0.4mm比较适合)。
2,当传感器运动速度过快、距离磁栅尺过远或没有感应到磁栅尺时,红色LED点亮告警(需要重新上电清除错误)正常工作时绿色LED点亮,橙色LED闪烁代表绝对值位置错误。
3,电缆尽可能避开高压电缆、电机、电磁阀、变频器等强干扰设备。
订购代码
AMG | 2 | R001 | V5 | SSI | 485 | L2 | C0 |
| A | B | C | D | E | F | G | H |
订货明细表
| 名称 | 订货参数 | 规格 | 备注 |
A | AMG | 型号 | |
| B | 2 | 磁间距为2mm的磁栅尺 | |
| C | R001 | 绝对值分辨率为0.001mm | 客户可选 |
| D | V | V5,供电电压为5V | |
| E | SSI | 串行接口SSI,BISS-C | 客户可选 |
| F | 485 | RS485 | |
| G | L | 电缆的长度,L2默认为2米 | 客户可选 |
| H | C0 | C0为直接出线,C1为DB9公头接口,C2为DB15公头接口 | 客户可选 |
网站客服咨询客服
热线电话:
13962107506
