J12型绝对式光栅尺安装说明书
安装所需工具:
百分表、内六角扳手、十字螺丝刀、一字螺丝刀、内六角圆柱头螺钉、平垫圈、弹簧垫圈、塞尺
1、 确定光栅尺的尺体部分安装基面与读数头的安装基面满足如下要求;


2、 将安装基面去毛刺,并将光栅尺和安装基面擦拭清洁;
3、 用一字螺丝刀将运输固定件的防脱钩起出,拧下运输固定件的固定螺钉,从左右两端取下运输固定件(此运输固定件不能用于安装尺寸保证,仅用于运输防护。);
4、 将光栅尺的尺体部分安装在机床要求位置上,并用M5×25的内六角圆柱头螺钉(配有弹簧垫圈与平垫圈)预紧固;

尺体此面朝下,与安装面距离近 尺体此面(打标面)朝上,与安装面距离远
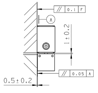
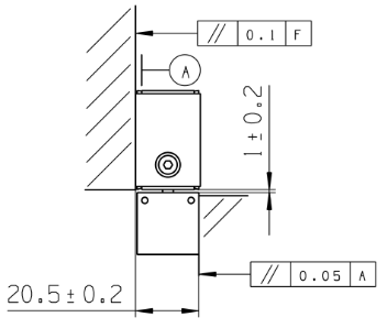
5、 用百分表检测尺体上表面与机床导轨的平行度,边检测边调整尺体位置,当尺体上表面与机床导轨的平行度≤0.1mm时,紧固螺钉;
6、 用塞尺或其它相关工具保证读数头与尺体的间隙为1±0.2mm,将读数头用M4×25内六角圆柱头螺钉(配有弹簧垫圈)紧固在读数头安装基面上。务必保证全量程范围内读数头与尺体的间隙。
7、 最后将连接电缆线插入滑架体中,并拧紧电缆线紧固螺钉。
其它需要注意的地方:
(1)读数头固定件要有足够的强度,建议固定件的厚度≥8mm;
(2)光栅尺的防护要做好,光栅尺应该装在防护罩里,禁止切削液喷溅;
(3)唇形密封条部分禁止朝上。以下三种方式允许,其它方式不允许。
特殊说明:
如果采用读数头上配有螺纹孔的安装方式时,需提前说明,我公司备有带有M5螺纹孔的读数头。此种安装方式,需要读数头安装件上留有φ5.5的通孔,通过M5内六角圆柱头螺钉与读数头上的M5螺纹孔将读数头固定在读数头安装件上。
网站客服咨询客服
热线电话:
13962107506
