365英国上市公司

产品中心
DK205系列探规
来源:365英国上市公司  发布时间:2022-06-09 11:11:29   点击次数:0

索尼magnescale位移传感器DK205PR5

特征
量测范围:205mm

  • 分辨率:0.5um

  • 附磁性接触点量测头DZ-181

  • 型号

输出信号种类

分辨率※1

量测范围

精度 (20℃下)

原点

反应速度

耐震动(10~2000 Hz)

耐冲撃(11 ms)

保护等级

使用温度范围

保存温度范围

电源电压

消费电力

线缆长度

外观直径

重量※2

检测物表面

磁性接触点量测头

伸缩量测轴※3

输出线缆长度(连接至后续电子装置)

附属配件

※1如果你想连接LT30系列,MG系列,LY70系列,需要分别设置对应的分辨率。有关详细设定方法,请参阅各自的使用说明书。
※3伸缩量测轴自体重量约400g
为改良本产品,在功能和性能上的规格可能会有所更改,请确认本公司产品说明,恕不另行通知。


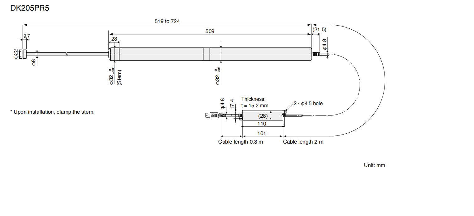
DK205系列探规尺寸:

DK205尺寸

上一篇:DK155系列探规
下一篇:DT512P/DT512N系列探规