DT512P/DT512N
在自动化生产过程中用于品管自动检测判别
特征
适用于各种工厂作业环境:保护等级IP64(DT512P)
精度:6μm
量测范围:12mm
保证行程次数:500万次
主要规格 | ||||||||||||||
DT512N | 量测范围 | 分辨率 | 量测压力(20℃下) | 0.7±0.5N | 横方位 | 1 .7N以下 | ||||||||
0.9±0.5N | 精度 (20℃下) | 使用温度范围 | 保存温度范围 | 线缆长度 | 外观直径 | 量测头 | 重量*1 | 约80g | ||||||
― | 保证行程次数 | *1 重量的标示不包括线缆。 | ||||||||||||
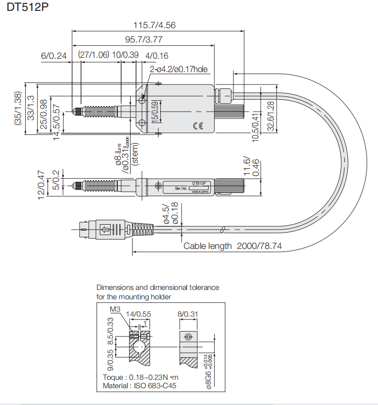
DT512P/DT512N尺寸:
单位:mm
7BN (5I)2M](RC9XK[D6[AU)7BN](/uploadfile/ueditor/image/202202/1645690080ae7b39.png)

网站客服咨询客服
热线电话:
13962107506
